Zoeller Grinder Pumps

Zoeller Grinder Pumps

Zoeller Grinder Pumps For Sale

Are you looking for Zoeller Grinder Pumps For Sale? PumpProducts.com are Zoeller Grinder Pumps For Sale distributors since 1986.

Find the Pump, Pump Parts, Pump Accessories, Pump Motor or Pump Control that you need now!

Zoeller - Grinder Pumps

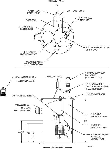
Zoeller grinder pumps operate as a waste management device for residential and commercial settings. These pumps collect sewage appliances such as toilets from the pipes in homes and commercial buildings. The waste collects in a holding tank until it reaches a certain level, and then it will activate. When the Zoeller grinder pumps from Pump Express turn on, the waste is ground into slurry and particles. Once this process is complete, the slurry and particles are carried out to the main sewer system. Our Zoeller grinder pumps can be set up and installed in basements and yards.

Zoeller Grinder Pumps For Sale In Stock @ PumpProducts.com. Call Our Sales Counter For Assistance, Price Quotes & To Place Your Order at 800-429-0800

Our Application Engineers Are Standing By To Help Customers With Their Zoeller Grinder Pumps For Sale Product Selection. PumpProducts.com Offers Same Day Shipping On All 14011, Parts, Motors & Controls In Stock

Find The Lowest Price For Zoeller Grinder Pumps For Sale at PumpProducts.com!

PumpProducts.com is a Stocking Pump Distributor and we offer Zoeller Grinder Pumps For Sale at The Guaranteed Lowest Price!

We sell Direct to the Consumer, Contractor, Commercial, Industrial and Municipal markets, so you pay less. You can Search our On-Line Pump & Parts Catalog or Call our Customer Support Counter at 800-429-0800.

PumpProducts.com stocks Pumps and pump Parts. Check out our product pages for a full Price Listing.


Older Zoeller Grinder Pumps


  1. Zoeller 810 & 815 Grinder Pump Package System
    View Details >>
    Zoeller 810 & 815 Grinder Pump Package System
    * Overnight Shipping Available!

  2. Zoeller 810 815 820 Cold Climate Pump Package
    View Details >>
    Zoeller 810 815 820 Cold Climate Pump Package
    * Overnight Shipping Available!

  3. Zoeller 820 & 840 Turn Key Grinder Pump Package
    View Details >>
    Zoeller 820 & 840 Turn Key Grinder Pump Package
    * Overnight Shipping Available!

  4. Zoeller 915 Shark Series Grinder Package System
    Part #:915
    View Details >>
    Zoeller 915 Shark Series Grinder Package System Part #:915
    * Overnight Shipping Available!

  5. Zoeller Duplex 840 Grinder Pump Package
    View Details >>
    Zoeller Duplex 840 Grinder Pump Package
    * Overnight Shipping Available!

  6. Zoeller Shark Grinder Pumps WD820, WH820
    Part #:820-0005
    View Details >>
    Zoeller Shark Grinder Pumps WD820, WH820 Part #:820-0005
    * Overnight Shipping Available!

  7. Zoeller Shark Series 840 Reversing Grinder Pump
    Part #:840-0004
    View Details >>
    Zoeller Shark Series 840 Reversing Grinder PumpPart #:840-0004
    * Overnight Shipping Available!

  8. Zoeller Shark Series 841 & 842 Non-Reverse Grinder Pump
    View Details >>
    Zoeller Shark Series 841 & 842 Non-Reverse Grinder Pump
    * Overnight Shipping Available!

  9. Zoeller Shark Series Grinder Pump 820
    Part #:820-0011
    View Details >>
    Zoeller Shark Series Grinder Pump 820Part #:820-0011
    * Overnight Shipping Available!

  10. Zoeller Shark Series Grinder Pump System 932, E810
    Part #:810-0004
    View Details >>
    Zoeller Shark Series Grinder Pump System 932, E810Part #:810-0004
    * Overnight Shipping Available!

  11. Zoeller Simplex 820 Grinder Pump Package
    View Details >>
    Zoeller Simplex 820 Grinder Pump Package
    * Overnight Shipping Available!

  12. Zoeller Simplex 840 Grinder Pump Package
    View Details >>
    Zoeller Simplex 840 Grinder Pump Package
    * Overnight Shipping Available!

  13. Zoeller The Shark Series Grinder Pumps 810, 815
    Part #:810-0004
    View Details >>
    Zoeller The Shark Series Grinder Pumps 810, 815Part #:810-0004
    * Overnight Shipping Available!

For more information on our Zoeller Grinder Pumps call PumpProducts.com at 1-800-429-0800.

PumpProducts.com – Your Trusted Source For Zoeller Grinder Pumps!

Call
Talk To An Expert

Contact Us





2019 Created By GAL Inc. - A Web Design & Internet Marketing Company
Zoeller Grinder Pumps